Teil 1:
Vorbereiten des Adalm Pluto:
Harware Mods zu Verbesserung der Stabilität:
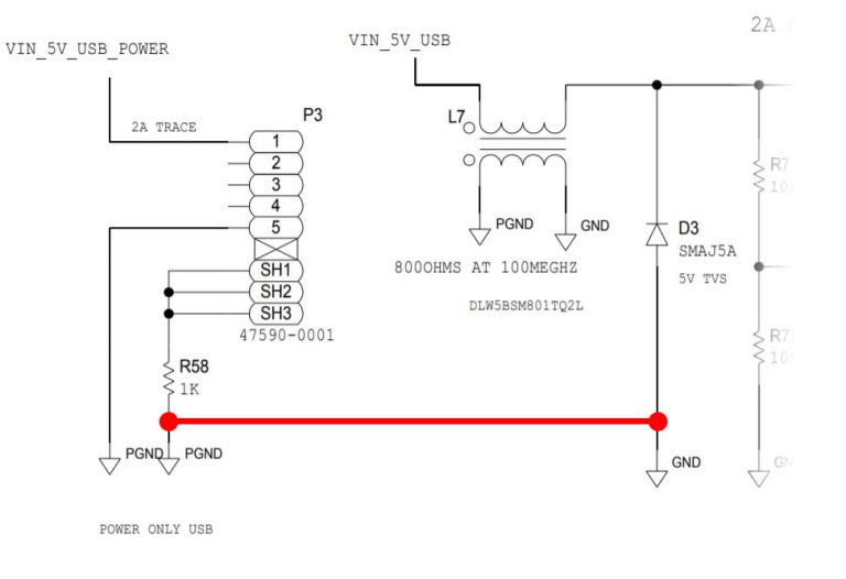
Von Zeit zu Zeit verliert der Adalm Pluto die USB-Verbindung zum Computer, was während einer Aussendung besonders unangenehm ist. Laut Lucien F1TE sollte man deshalb eine Verbindung über ein kurzes Stück Litze zwischen den Anschlüssen D3 (GND) and R58 (PGND) durchführen:
 |
> |
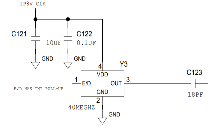
Auch die Frequenzstabilität des im ADALM Pluto verbautem TCXO (40MHz TCXO RAKON RXO3225M mit einer Frequenzstabilität von +/- 25 ppm zwischen -40 und 85°C) lässt sehr zu wünschen übrig und führt beim Arbeiten über den QO-100 speziell in SSB zu unerwünschten Frequenzdrifts von einigen -zig Hz bei Temperaturänderungen. Beim DATV Bettieb spielt dies jedoch keine große Rolle. Der TCXO ABRACON ASTX-13-C-40.000MHz-I05-T wird wie der Origanal TXCO mit 1V8 Spannung versorgt, ist aber nur 2.0 x 1.6 mm groß. Die Frequenzstabilität liegt bei +/- 0.5ppm:
 |
> |
Alternativ kann auch der TCXO MURATA XNCLH40M000THJA1P0 eingebaut werden, der eine Stabilität von +/- 0.2ppm erreicht, aber bei einer Größe von 5.0 x 3.2 mm und einer Spannung von 3V. mit einer Adapterplatine nach DM4DS eingebaut werden muss. (Siehe Video: www.youtube.com/watch?v=YEeDGSzZc1A):

Auch ein Eingang für eine externe Referenzquelle ( z.B 10 MHz Frequenznormal oder ein GPSDO) lässt sich leicht nachrüsten. Mit einem einfachen Schalter lässt sich der interne Oszillator ein- und ausschalten (Nach F4DAV lässt sich durch Verbinden von Pin 1 mit GND der Oszillator deaktivieren):
 |
> |
Falls die externe Quelle beispielsweise 10 MHz hat, muss dies dem Pluto mitgeteilt werden. Dazu sollte man sich mit einem Terminal-Programm wie Putty mit dem ADALM Pluto verbinden. Die IP-Adresse de Pluto sollte 192.168.2.1 sein. Eine genauere Anleitung zu Putty findet sich weiter unten.
Mit diesen Befehlen ändert man die Referenzfrequenz auf 10 MHz und startet den Pluto neu:
fw_setenv ad936x_ext_refclk "<10000000>"
fw_setenv xo_correction 10000000
pluto_reboot reset
So kann der Wert hexadezimal abgefragt werden:
cat /proc/device-tree/clocks/clock@0/clock-frequency | xxd
Treiber installieren:
2. Adalm Pluto mit dem PC verbinden, es wird ein neues Laufwerk angezeigt:

Gleichzeitig wird ein neuer Netwerkadapter mit der IP-Adresse 192.168.2.1 installiert. Das Webinterface des Adalm Pluto ist ebenfalls unter dieser Adresse erreichbar. In der Datei info.txt ist die Konfiguration und Netzwerkadresse des Pluto gespeichert und kann editiert werden.
Firmware Update
Zuerst sollte die aktuellste Original-Firmware von Github eingespielt werden. Die heruntergeladene .zip-Datei wird entpackt
und die .frm Datei ins Hauptverzeichnis des ADALM Pluto kopiert:

Anschließend wird der Adalm Pluto ausgeworfen, aber nicht vom USB-Bus abgesteckt:

Die LED des Pluto blinkt jetz rasch, das Update dauert ca. 3 Minuten. Der Pluto darf in dieser Zeit nicht abgesteckt werden! Sobald die Firmware aktualisiert wurde blinkt der Pluto lnurmehr langsam, verbindet sich wieser mt dem PC und der Pluto wird wieder als Datenträger und Netwerkadapter angezeigt.
Custom Firmware einspielen:
Auf der Seite FIRM2101RC.zip kann die Custom-Firmware von F5OEO heruntergeladen werden. Die Installation erfolgt gleich wie bei der Original-Firmware.
Ist diese Firmware installiert, kann der ADALM Pluto rtmp:// Streams über seine Netwerkschnittstelle empfangen und diese mithilfe seiner Xilinx Cynq FPGA direkt in DVB-S, DVB-S2 und SSB Signale umwandeln und aussenden.
Frequenzerweiterung und Aktivieren der zweiten CPU:
Zunächst habe ich einen Telnet-Client (puTTY) installiert. Mithilfe dieses Programmes kann eine verschlüsselte SSL-Verbindung zum Pluto aufgebaut werden und es wird ein Terminal geöffnet:

Nachdem man sich als "root" und "analog" angemeldet hat, können die Parameter der Linux-Umgebung abgefragt und verändert werden. Zunächst wird dem Adalm Pluto suggeriert, einen ADAD9364 statt dem verbauten AD9363 zu haben, denn der "größere Bruder" unterstützt einen Frequenzbereich von von 70 MHz bis 6000 MHz. Dieser ist wesentlich teurer, der "kleine Bruder" AD9363 kann aber den gleichen Frequenzbereich verwenden: (https://www.rtl-sdr.com/adalm-pluto-sdr-hack-tune-70-mhz-to-6-ghz-and-gqrx-install/):
login : root
password : analog
Warning: Permanently added '192.168.2.1' (ECDSA) to the list of known hosts.
root@192.168.2.1's password: analog
Welcome to:
______ _ _ _________________
| ___ \ | | | / ___| _ \ ___ \
| |_/ / |_ _| |_ ___ \ `--.| | | | |_/ /
| __/| | | | | __/ _ \ `--. \ | | | /
| | | | |_| | || (_) /\__/ / |/ /| |\ \
\_| |_|\__,_|\__\___/\____/|___/ \_| \_|
v0.31
http://wiki.analog.com/university/tools/pluto
Die beiden folgenden Variablen sind noch nicht gesetzt, deshalb wird eine Fehlermeldung ausgegeben:
# fw_printenv attr_name
## Error: "attr_name" not defined
# fw_printenv attr_val
## Error: "attr_val" not defined
#
Mit folgenden Befehlen werden diese gesetzt und der Pluto neu gestartet:
# fw_setenv attr_name compatible
# fw_setenv attr_val ad9364
# reboot
Nach dem Neustart und erneutem Verbinden können die Variablen abgefragt werden:
# fw_printenv attr_name
attr_name=compatible
# fw_printenv attr_val
attr_val=ad9364
#
Dem ADALM Pluto wird jetzt ein AD9364 Transceiver-Baustein vorgegaukelt und der erweiterte Frequenzbereich ist nutzbar.
Der folgende Befehl gibt Auskunft über die CPUs.
cat /proc/cpuinfo
Nachdem nur eine eingeschaltet ist, kann man die andere mit diesem Befehl einschalten:
fw_setenv maxcpus
Beim Überprüfen sieht man nun beide CPUs:
# cat /proc/cpuinfo
processor : 0
model name : ARMv7 Processor rev 0 (v7l)
BogoMIPS : 666.66
Features : half thumb fastmult vfp edsp neon vfpv3 tls vfpd32
CPU implementer : 0x41
CPU architecture: 7
CPU variant : 0x3
CPU part : 0xc09
CPU revision : 0
processor : 1
model name : ARMv7 Processor rev 0 (v7l)
BogoMIPS : 666.66
Features : half thumb fastmult vfp edsp neon vfpv3 tls vfpd32
CPU implementer : 0x41
CPU architecture: 7
CPU variant : 0x3
CPU part : 0xc09
CPU revision : 0
Hardware : Xilinx Zynq Platform
Revision : 0003
Serial : 0000000000000000
#
Soll auf den ADALM Pluto über das Netzwerk zugegriffen werden, kann auch ein OTG Kabel mit Netzwerkadapter installiert werden:

Im Hauptverzeichnis des DALM Pluto befindet sich die Datei config.txt, die editiert werden kann, um die IP Adresse anzupassen:

Die Datei wird im Editor geöffnet, eine neue IP Adresse (z.B. 192.168.2.8 statt 192.168.2.1) eingefügt und gespeichert:
# Analog Devices PlutoSDR Rev.B (Z7010-AD9363)
# Device Configuration File
# 1. Open with an Editor
# 2. Edit this file
# 3. Save this file on the device USB drive
# 4. Eject the device USB Drive
# Doc: https://wiki.analog.com/university/tools/pluto/users/customizing
[NETWORK]
hostname = pluto
ipaddr = 192.168.2.1
ipaddr_host = 192.168.2.10
netmask = 255.255.255.0
[WLAN]
ssid_wlan =
pwd_wlan =
ipaddr_wlan =
[USB_ETHERNET]
ipaddr_eth = 192.168.1.8
netmask_eth = 255.255.255.0
gateway_eth = 192.168.0.254
[SYSTEM]
xo_correction =
udc_handle_suspend = 0
[ACTIONS]
diagnostic_report = 0
dfu = 0
reset = 0
calibrate = 0
Das Einrichten des Adalm Pluto ist somit abgeschlossen!